Bộ ổn nhiệt điều khiển nhiệt độ BTC 9300 được sử dụng rộng rãi trong ngành công nghiệp hóa chất, R&D, dược phẩm, điện tử, y tế, ô tô, quân đội/ hàng không, nước/chất thải, xử lý nhiệt, thực phẩm/ đồ uống/ sữa, bột giấy, hóa dầu, khí thiên nhiên, chất bán dẫn…
BTC 9300 hay còn gọi là đồng hồ điều khiển nhiệt Fuzzy + PID process. Bộ điều khiển kết nối với tín hiệu đầu vào PT100 và Thermocouple: J, K, T, E, B, R, S, N, L; RTD: PT100 DIN, PT100 JIS / 0 - 6mV/ 0 -1V / 0 - 5V / 1 - 5V / 4 - 20 mA / 0 - 20 mA / 0 - 10V
Một số tính năng của bộ Fuzzy + PID process & temperature controller
Độ chính xác cao của tín hiệu đầu vào 18-bit input A-D, đầu ra 15-bit output D-A
Tốc độ lấy mẫu nhanh (5 times/ second)
Pump control; Fuzzy + PID microprocessor based control
Auto-tune function, self-tune function & sleep mode function
Lập trình sẵn nhận tín hiệu đầu vào thermocouple, RTD, mA, VDC.
Analog input for remote set point và CT.
Lập trình digital filter, loop & heater break alarm
Hardware lockout + remote lockout protection.
Báo động khi sensor break + bumpless transfer.
Đa dạng tín hiệu đầu ra modules để thiết lập.
Signal condition DC power supply
| Type | Range | Accuracy@ 25 °C | Input Impedance |
| J | -120 ~ 1000 °C (-184 ~ 1832 °F) | ±2 °C | 2.2MΩ |
| K | -200 ~ 1370 °C (-328 ~ 2498°F) | ±2 °C | 2.2MΩ |
| T | -250 ~ 400°C (-418 ~ 752°F) | ±2 °C | 2.2MΩ |
| E | -100 ~ 900 °C (-148 ~ 1652 °F) | ±2 °C | 2.2MΩ |
| B | 0 ~ 1820 °C (32 ~ 3308 °F) | ±2 °C (200°C - 1800°C) | 2.2MΩ |
| R | 0 ~ 1768 °C (32 ~ 3214 °F) | ±2 °C | 2.2MΩ |
| S | 0 ~ 1768 °C (32 ~ 3214 °F) | ±2 °C | 2.2MΩ |
| N | -250 ~ 1300 °C (-418 ~ 2372 °F) | ±2 °C | 2.2MΩ |
| L | -200 ~ 900 °C (-328 ~ 1652 °F) | ±2 °C | 2.2MΩ |
| PT100 (DIN) | -210 ~ 700 °C (-346 ~ 1292 °F) | ±0.4°C | 1.3KΩ |
| PT100 (JIS) | -200 ~ 600 °C (-328 ~ 1112 °F) | ±0.4°C | 1.3KΩ |
| mV | -8 ~ 70mV | ±0.05% | 2.2MΩ |
| mA | -3 ~ 27mA | ±0.05% | 70.5Ω |
| V | -1.3 ~ 11.5V | ±0.05% | 302KΩ |
Xem thêm tính năng sản phẩm ở tab bên cạnh
Nguồn: (4) 90 - 250 VAC, 47 - 63 Hz,
(5) 11 - 26 VAC / VDC, SELV, Limited Energy,
Ngõ vào: (1) Standard input
|
Input 1-Universal Input |
Thermocouple: J, K, T, E, B, R, S, N, L RTD: PT100 DIN, PT100 JIS Current: 4 - 20mA, 0 - 20mA Voltage: 0 - 1V, 0 - 5V, 1 - 5V, 0-10V |
|
Input 2-CT: 0 - 50 Amp.AC |
Current Transformer Analog Input: 4-20mA, 0-20mA, 0 - 1V, 0 - 5V, 1 - 5V, 0 - 10V |
|
Input 3-Event Input (EI) |
Input 3-Event Input (EI) |
Độ chính xác: ±2% of span - Thermocouple
±0.4% of span - RTD
±0.05% of span - mV, mA, V
Ngõ ra: Đa dạng tín hiệu cho người dùng chọn lựa.
| 1 | Form A relay 2A / 240VAC |
| 2 | Relay rated 2A / 240VAC |
| 3 | Form B relay 2A / 240VAC |
| 4 | Pulsed voltage to drive SSR, 5V / 30mA |
| 5 | Isolated 4 - 20mA / 0 - 20mA |
| 6 | Isolated 1 - 5V / 0 - 5V |
| 7 | Isolated 0 - 10V |
| 8 | Triac output 1A / 240VAC,SSR |
| 9 | Isolated 20V / 25 mA DC Output Power Supply |
| 10 | Isolated 12V / 40 mA DC Output Power Supply |
| 11 | Isolated 5V / 80 mA DC Output Power Supply |
| 12 | C: Pulsed Voltage to drive SSR, 14V/40mA |
Ngõ ra Alarm:
| Alarm 1/ Alarm 2 ( Output 2 ) | |
| Alarm 1 Relay | Form A or Form B for BTC-9300, Form C for BTC4300, |
| BTC-8300, 5V Logic output for BTC-2500 Max. Rating | |
| 2A/240VAC, life cycles 200,000 for resistive load. | |
| Alarm 2 Relay | Form A,Max. rating 2A/240VAC, life cycles 200,000 for resistive load. |
| Alarm Functions |
Dwell timer, Deviation High / Low Alarm, |
| Deviation Band High / Low Alarm, PV1 High / Low Alarm, | |
| PV2 High / Low Alarm, PV1 or PV2 High /Low Alarm, | |
| PV1-PV2 High /Low Alarm, Loop Break Alarm, | |
| Sensor Break Alarm. | |
| Alarm Mode | Normal, Latching, Hold, Latching / Hold. |
| Dwell Timer | 0 - 6553.5 minutes |
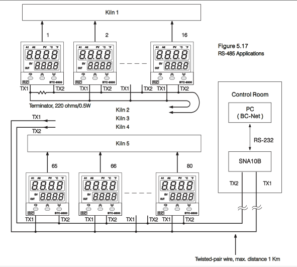
Communication
1: RS-485 interface
2: RS-232 interface (not for BTC 7100)
3: Retransmit 4 - 20 mA / 0 - 20 mA
4: Retransmit 1 - 5V / 0 - 5V
5: Retransmit 0 - 10V
Kích thước:
Bộ BTC 9300: 50.7(W) x 50.7 (H) x 88.5 (D), 75 mm depth behind panel
Panel cutout BTC 9300: 45 X 45 mm
Trọng lượng BTC 9300: 150 grams



| Ordering code: Bộ BTC9300 | (1) | (2) | (3) | (4) | (5) | (6) |
| (1) | Power input | (4) | Output 2/ Alarm2 |
| (2) | Signal Input | (5) | Alarm 1 |
| (3) | Output 1 | (6) | Communication |
Download catalog BTC 2500; BTC 9300, BTC8300, BTC4300 Click tại đây
Download Ordering Form- BTC 2500; BTC 9300, BTC8300, BTC4300 Click tại đây
Một số dòng Bộ điều khiển nhiệt temperature controller như sau
Excellent low-cost process: C22, C62, C82, C83, C72, C42, R22
PID & Fuzzy process: BTC-4300, BTC-8300, BTC-9300, BTC 2500
Ram soak P41 & P91, Safety limit L41 & L91,
Auto-tune PID: BTC9100, BTC8100, BTC4100, BTC7100, C21, C91, BTC-9090;
Digital control: BTC905, BTC -900 BTC-803 BTC-805, BTC 705; BTC-405.
Analog controller: BTC-701, BTC-702, BTC-704, BTC 401, BTC-402, BTC-404, BTC-901, BTC902

Xem thêm